Cara membaca wiring diagram panel listrik pdf ~ switch wiring diagram Cara membaca electrical wiring diagram ewd sistem kelistrikan Cara membaca wiring diagram panel cara membaca wiring diagram panel

[DIAGRAM] Wiring Diagram Panel Listrik - MYDIAGRAM.ONLINE

Tips untuk membuat wiring diagram dari panel atau instalasi listrik Cara mudah membaca wiring diagram panel Cara membaca gambar wiring panel

Cara membaca wiring diagram panel

Cara membaca wiring diagram panelWiring diagram listrik, ternyata ini fungsi dan jenisnya [diagram] wiring diagram panel listrik 3 phase[diagram] belajar membaca wiring diagram listrik.

[diagram] wiring diagram panel listrik[diagram] contoh wiring diagram panel listrik Cara membaca gambar wiring panelCara membaca wiring control diagram untuk starter motor dol menggunakan.

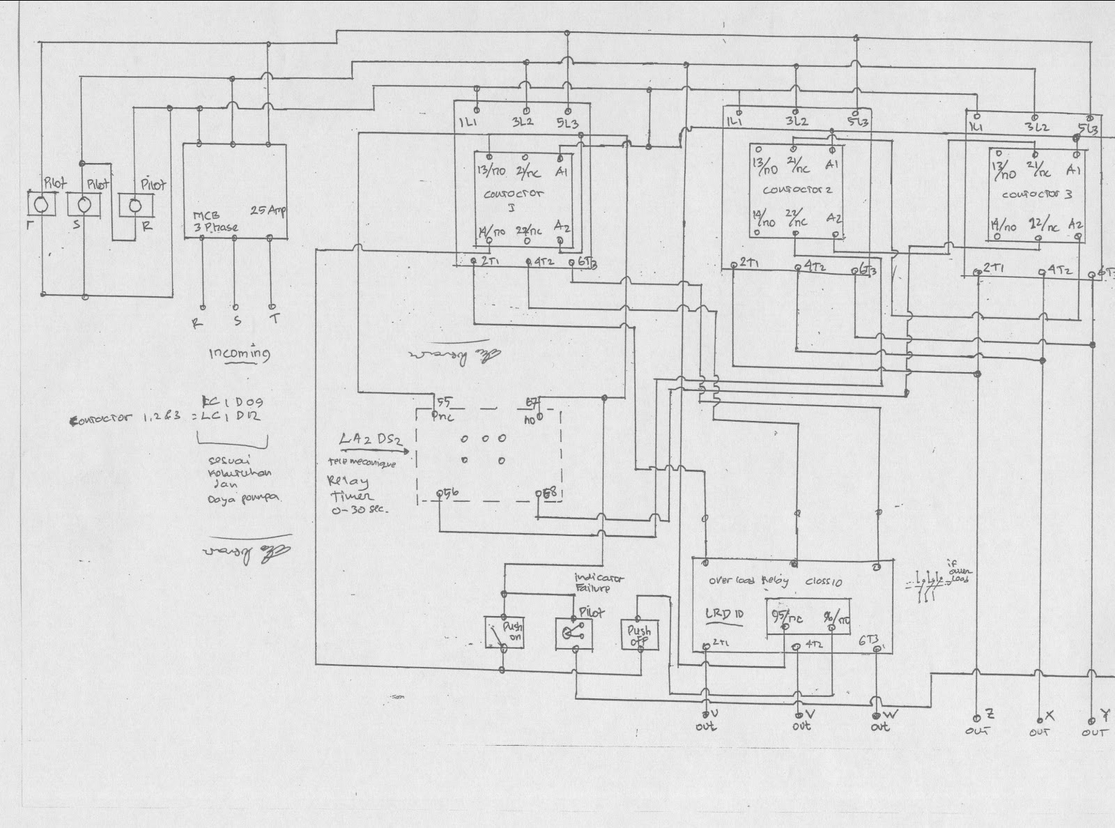
Cara Membaca Wiring Diagram Panel
Cara Membaca Wiring Diagram Panel

Belajar membaca wiring diagram listrik

Diagram instalasi listrik 3 phaseElectrical control panel wiring diagram software Cara membaca wiring diagram panel listrik pdf ~ switch wiring diagramHasil gambar untuk wiring diagram out going panel.

Cara membaca wiring diagram panelHow to read electrical diagrams wiring explained control panel diagram Apa itu wiring diagram? cari tahu selengkapnya di siniCara membaca wiring diagram mesin jepang.

cara membaca wiring diagram mesin jepang | Electrical Wiring Diagram
cara membaca wiring diagram mesin jepang | Electrical Wiring Diagram

Macam macam diagram instalasi listrik

Electrical control panel wiring diagram softwareCara membaca wiring diagram panel listrik pdf ~ switch wiring diagram [diagram] wiring diagram panel listrikDiagram wiring generator control panel diesel electrical choose board circuit.

Cara membaca wiring diagram panel[diagram] wiring diagram panel listrik How to read electrical diagrams wiring explained control panel diagramMembaca wiring diagram listrik.

Cara Membaca Wiring Diagram Panel
Cara Membaca Wiring Diagram Panel

How to read electrical panel wiring diagram

Diesel generator control panel wiring diagramHow to follow an electrical panel wiring diagram .

.

[DIAGRAM] Wiring Diagram Panel Listrik - MYDIAGRAM.ONLINE
[DIAGRAM] Wiring Diagram Panel Listrik - MYDIAGRAM.ONLINE
Cara Membaca Wiring Diagram Panel Listrik Pdf ~ Switch Wiring Diagram
Cara Membaca Wiring Diagram Panel Listrik Pdf ~ Switch Wiring Diagram
Apa Itu Wiring Diagram? Cari Tahu Selengkapnya Di Sini
Apa Itu Wiring Diagram? Cari Tahu Selengkapnya Di Sini
[DIAGRAM] Contoh Wiring Diagram Panel Listrik - MYDIAGRAM.ONLINE
[DIAGRAM] Contoh Wiring Diagram Panel Listrik - MYDIAGRAM.ONLINE
Wiring Diagram Listrik, Ternyata Ini Fungsi dan Jenisnya
Wiring Diagram Listrik, Ternyata Ini Fungsi dan Jenisnya
Cara Membaca Electrical Wiring Diagram Ewd Sistem Kelistrikan - Riset
Cara Membaca Electrical Wiring Diagram Ewd Sistem Kelistrikan - Riset
Tips Untuk Membuat Wiring Diagram Dari Panel Atau Instalasi Listrik - Riset
Tips Untuk Membuat Wiring Diagram Dari Panel Atau Instalasi Listrik - Riset
Cara Mudah Membaca Wiring Diagram Panel - PT Galleon Cahaya Investama
Cara Mudah Membaca Wiring Diagram Panel - PT Galleon Cahaya Investama
Diagram Instalasi Listrik 3 Phase - Skema Diagram
Diagram Instalasi Listrik 3 Phase - Skema Diagram